企業首頁
下載中心
產品信息
營銷網絡
服務中心
意見反饋
多段式切換開關
多段式切換48mm與64mm系列
多段式切換48*60與64*80系列
電流,電壓切換48*48與64*64系列
電流,電壓切換48*60與64*80系列
多段式切換Φ22/Φ25/Φ30系列
返回
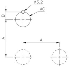
■裝配孔徑
尺寸說明:所有尺寸均為mm
項次
Φ22
Φ25
Φ30
A
60min
B
11.2
12.7
15.2
C
22.4
25.4
30.4
●Φ22/Φ25系列裝配方法
Φ30系列裝配方法
■組裝方式
●上座與固定座之裝卸
裝配:固定座橙色滑塊PUSH↓對准上座溝槽壓入,即可固定.
拆卸:以手或一字起字(螺絲刀),插入橙色滑塊上端之圓內,下壓橙色滑塊即可拆卸.
●固定座與接點座之裝卸
裝配:固定座上凸起之固定塊對准接點座之固定孔推入,即可固定。
拆卸:以一字起子(螺絲刀),分別插入接點座之凸塊往上撬起,即可拆卸。
上一頁
下一頁
天得科技股份有限公司